Seosmittarin teko-ohjeet

Omat projektit. "Talleissa tapahtuu". Erilaiset DIY "tee se itse" vinkit, erikoiset taikka toimivat ratkaisut jne

Valvojat: Pertti, pressa

Avatar
smuige
Viestit: 5776
Liittynyt: 22:19 24.10.2002.
Paikkakunta: Stadi
Viesti:

Seosmittarin teko-ohjeet

Viesti Kirjoittaja smuige »

Tuolta löytyy tee-se-itse miehelle lambda-anturia varten seosmittarin teko-ohjeet.
http://www.siipicossu.com/seosmittari.htm" onclick="window.open(this.href);return false;

Onkos joku tehnyt vastaavia itse?
Teoriaa ja seosmittarin ohje

Lambda - anturin antama jännite vaihtelee tyypillisesti 0:n ja 1000mV:n välillä riippuen seossuhteesta, parhaan tehon seossuhde on noin 12.6:1 jolloin Lambda on 0.86 ja Lambda - anturin antama jännite noin 800-900mV.
Vastaavasti paras taloudellisuus saavutetaan noin 15.4:1 seossuhteella jolloin Lambda on 1.05 ja Lambda - anturin antama jännite noin 200mV.
Kuva
  • Jännite: . . . Seossuhde: . . . Lambda:
  • 250mV . . . . . 15.0:1 . . . . . 1.02
  • 375mV . . . . . 14.5:1 . . . . . 0.99
  • 500mV . . . . . 14.0:1 . . . . . 0.95
  • 625mV . . . . . 13.5:1 . . . . . 0.92
  • 750mV . . . . .13.0:1 . . . . . 0.88
  • 875mV . . . . . 12.5:1 . . . . . 0.85
  • 1000mV . . . . 12.0:1 . . . . . 0.82
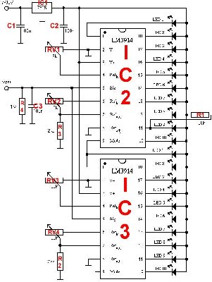
20 ledisen seosmittarin ohjeet

Osat:
R1 . . . . . . . . = 20k (vastus)
R2 & R3 . . . . = 2k2 (vastus)
R4 . . . . . . . . = 1M (vastus)
C1 & C2 & C3 . = 100nF (kondensaattori)
IC1 . . . . . . . .= 7805 (regulaattori)
IC2 & IC3 . . . .= LM3914 (mikropiiri)
Rv1 . . . . . . . = 4k7 (trimmeri)
Rv2 . . . . . . . = 10k (trimmeri)
Rv3 & Rv4 . . .= 20k (trimmeri)

Lisäksi tarvitaan lambda-anturi.
LM3914- datalehdykäinen (pdf-muodossa)
Trimmereillä kyseinen mittari on helppo virittää vaikka niin, että ensimmäiset 10 lediä syttyvät 200mV:n ja 560mV välillä ja jälkimmäiset 10 lediä 600mV ja 1000mV välillä. Rv1 ja Rv2:llä säädetään 10 ensimmäisen ledin syttymisjännite ja Rv3 ja Rv4:llä 10 seuraavan ledin syttymisjännite. Osat voi hankkia elektroniikka liikkeistä. Ledeinä voi käyttää tavallisia 3mm tai 5mm ledejä.

Olen huomannut että osa ledeistä (kummankin piirin 1. ledi) jää himmeästi palamaan vaikka niiden ei pitäisi silloin palaa. Ongelmasta pääsee eroon kytkemällä ko. ledin rinnalle 10k - 15k vastuksen.

Lisäksi tarvitset säädettävän tasajännitelähteen säätämistä varten.

Lambda-antureista osa on ns. "lämmitettäviä" ja osa "kylmiä", seosmittari käytössä ei tuolla ole juurikaan merkitystä, lämmitettävä anturi vain alkaa näyttää nopeammin oikeita lukemia ja saattaa pysyä tarkemmin oikeassa toimintalämpötilassa.

kylmiä:
1-Johtiminen: ainoa johdin (musta) on signaali, anturin runko toimii maana.
2-Johtiminen: erikseen signaalimaa ja signaalijohto.

lämmitettäviä:
3-Johtiminen: signaalijohdin (musta) ja kaksi lämmitysvastukselle menevää johdinta (valkoisia), anturin runko toimii signaalimaana.
4-Johtiminen: signaalijohdin (musta), lämmitys johtimet (2kpl, valkoisia) sekä signaali maa (harmaa).


Piirilevyn koko todellisuudessa on noin 7,4cm*5,3cm
Ja jos ei tee piirilevyä kokonaan itse, niin voi käyttää myös reikälevyä ja hyppylangoilla vetää johdotukset.
Liitteet
100[1].jpg
101[1].jpg
102[1].jpg
103[3].jpg
Kuva9090[1].jpg
Kuva9180[1].jpg
Kuva9090[1].jpg
Seuraava Walkka Swap
Pääsiäisenä 2019
Avatar
Jusahdus
Viestit: 53
Liittynyt: 07:46 11.06.2010.
Paikkakunta: Hattula City
Viesti:

Re: Seosmittarin teko-ohjeet

Viesti Kirjoittaja Jusahdus »

Olipas tämä varsin korkealentoista tavalliselle tallaajalle... :?
"Ja kadonneen rispektin metsästys..."
jpk69
Viestit: 140
Liittynyt: 09:40 17.10.2009.
Paikkakunta: Espoo
Viesti:

Re: Seosmittarin teko-ohjeet

Viesti Kirjoittaja jpk69 »

Jusahdus kirjoitti:Olipas tämä varsin korkealentoista tavalliselle tallaajalle... :?
Eikös tuo vain vilkuttele ledejä anturin mittaustulosten mukaan? Lisää makeita valoja Riesa-Cossun kojetauluun. :)

Varttuneempi tee-se-itse-mies laittaa yleismittarin ryöstäjillä lambda-anturin piuhaan kiinni ja anturin speksien mukaan määrittää seossuhteen. :D
FXDB -09
Avatar
Sepixlh
Viestit: 4224
Liittynyt: 08:26 22.04.2002.
Paikkakunta: Paimio
Viesti:

Re: Seosmittarin teko-ohjeet

Viesti Kirjoittaja Sepixlh »

On noita joskus tullut muutama kappale tehtyä mutta eri piirillä eli UAA180 piirillä, se vain ohjaa yhdellä piirillä 12 lediä tuossa käytetyn 2 piiriä ja 20 lediä sijaan. Todellakin tuo näyttää vain Lambdan mittaustulosta.
You live more in 5 minutes on a bike like this going flatout, than some people live in a lifetime.
-Burt Munro
Avatar
smuige
Viestit: 5776
Liittynyt: 22:19 24.10.2002.
Paikkakunta: Stadi
Viesti:

Re: Seosmittarin teko-ohjeet

Viesti Kirjoittaja smuige »

Niin, eikös tarkoituskin ole, että tuo näyttäisi lambdan tunnistamaa/mitattua arvoa?
Tuolla "joulukuusella" ei säädetä mitään vaan katsotaan mikä on muualla (kaasari, sytytys ym) säädetyn jälkeen pakoputkesta tuleva arvo.
Onko Sepixlh:n kytkentä muuten lähes samanlainen?

Jos käyttää yleismittaria, niin onko osoittimella oleva huomattavasti parempi?
Vai pystyykö digitaalisesti (numeroilla) näyttävällä yleismittarilla saada aikaan mitään järkevää lukemaa?


Kyllä tuo rakennettu valohärdeli varmaankin voittaa colortune tulpanhatut?
Tosin silloin tuon kanssa pitää sinne pakoputkeen juurikäyrään hitsailla kiinnike lambdan lähdölle.
Vai voiko poliisinkin äänien mittauksessa hyväksi havaitsemaa välinettä, eli antennia pakoputkessa, käyttää tässä apuna?
Siis niin, että siinä antennissa on lambda anturi kiinni ja viedään se pakoputken sisällä johonkin määrättyyn kohtaan.
Vähän niinkuin katsastuskonttorin malliin.

Lambdan kiinteästä asennuksesta.
- Pitääkö olla vain takaputkessa kiinni? Miksi?
- Pitääkö olla kummassakin putkessa kiinni? Miksi? Mites kytkentä silloin?
- Onko joku määritelty optimi kohta tuolle lambda anturille? Vai miksi ne on aika yleisesti (ainakin Harrikoissa) hyvin lähellä kantta/pakoaukkoa?
Seuraava Walkka Swap
Pääsiäisenä 2019
Avatar
affe
Viestit: 1693
Liittynyt: 14:32 17.04.2002.
Paikkakunta: Ruutana
Viesti:

Re: Seosmittarin teko-ohjeet

Viesti Kirjoittaja affe »

Moro,
smuige kirjoitti:Jos käyttää yleismittaria, niin onko osoittimella oleva huomattavasti parempi?
Vai pystyykö digitaalisesti (numeroilla) näyttävällä yleismittarilla saada aikaan mitään järkevää lukemaa?
Kyllä se viisarimittari on paljon helpompi lukea, se arvo kuitenkin heittelee (etenkin kapeakaista-lamdalla) niin paljon että numerot vilkkuu silmissä :) Joku raaaauhalliinen analoginen mittari saattaa toimia.
Jos oikeasti haluaa säätämään ruveta niin kannattaa hankkia laajakaistalambda mutta silloin kytkennästäkin tulee monimutkaisempi... Ohjeita kyllä löytyy sillekin. Tosin niin paljon kun tykkäänkin noista elektroniikkarakenteluista niin sen jätin rakentelematta ja ostin suosiolla LC-1 paketin ja siihen sopivan softan.
Jos ei halua läppärin kanssa pelata niin esim tällaista löytyy, minusta ihan kohtuuhintaan.

Affe
Rautis -74, Shovel -80
http://www.goodwillparty.fi
Avatar
joekopo
Viestit: 94
Liittynyt: 22:57 13.12.2007.
Paikkakunta: Jaala

Re: Seosmittarin teko-ohjeet

Viesti Kirjoittaja joekopo »

täältä saa laajakaista lambdan mittareineen erittäin edullisesti:http://www.aircooled.fi/shop/index.php? ... re_id=1285

mulla on yks ledi mittari osina tuolla kaapissa. käsittääkseni se tarvii kalibroida jossain kokoamisen jälkeen.

edit: tuolahan se kalibrointi jo olikin
Trimmereillä kyseinen mittari on helppo virittää vaikka niin, että ensimmäiset 10 lediä syttyvät 200mV:n ja 560mV välillä ja jälkimmäiset 10 lediä 600mV ja 1000mV välillä...
Avatar
Sepixlh
Viestit: 4224
Liittynyt: 08:26 22.04.2002.
Paikkakunta: Paimio
Viesti:

Re: Seosmittarin teko-ohjeet

Viesti Kirjoittaja Sepixlh »

smuige kirjoitti:Niin, eikös tarkoituskin ole, että tuo näyttäisi lambdan tunnistamaa/mitattua arvoa?
Tuolla "joulukuusella" ei säädetä mitään vaan katsotaan mikä on muualla (kaasari, sytytys ym) säädetyn jälkeen pakoputkesta tuleva arvo.
Onko Sepixlh:n kytkentä muuten lähes samanlainen?
Lähes samanlainen tässä datalehti:
http://html.alldatasheet.com/html-pdf/4 ... AA180.html" onclick="window.open(this.href);return false;

Hyvä olla kohtalaisen lähellä pakoaukkoa koska kaasunlämpötila laskee nopeasti ja mittaustulos muuttuu. Ei "antennimallia" . Oikea paikka olisi kollektori, yksi riittää jos on yksi kaasari.
Kuten Affe pohti tuosta riittää niin moneen, sanoisin että normimoottorin säätöön lämmitettävä tavallinen lambda riittää. Ennenhän sitä vaan korvakuulolta säädeltiin :D
You live more in 5 minutes on a bike like this going flatout, than some people live in a lifetime.
-Burt Munro
JON
Viestit: 1003
Liittynyt: 10:41 17.05.2003.

Re: Seosmittarin teko-ohjeet

Viesti Kirjoittaja JON »

Askarruttanut, pitää kaiketi olla käyrän ja pakoaukon liityntä ihan tiivis?
Eli, jos puhkuu nokea, mahdollisesti myös imee ilmaa, melko holossa, Lätän 2-1 systeemissä? Tähän asti ollut luulomieltä, ettei Lätän käyrään asennetusta tule hurskaaksi.

Jumpe
Pertti
Viestit: 6164
Liittynyt: 21:11 28.09.2004.
Paikkakunta: Lapua
Viesti:

Re: Seosmittarin teko-ohjeet

Viesti Kirjoittaja Pertti »

JON kirjoitti:Askarruttanut, pitää kaiketi olla käyrän ja pakoaukon liityntä ihan tiivis?
Eli, jos puhkuu nokea, mahdollisesti myös imee ilmaa, melko holossa, Lätän 2-1 systeemissä? Tähän asti ollut luulomieltä, ettei Lätän käyrään asennetusta tule hurskaaksi.

Jumpe
Ei lättä mitään lambdoja tartte, korvakuulolta niitä säädetään.
Jos aivastelee, kaksi naksausta pilotneulaa aukipäin. Ellei auta, pari naksausta lisää.
Räjähtää sellaiset mittarit, jos kahta metriä lähemmäksi sota-aikaista tuodaan.
moderattori

Romu rauhoittaa!
JON
Viestit: 1003
Liittynyt: 10:41 17.05.2003.

Re: Seosmittarin teko-ohjeet

Viesti Kirjoittaja JON »

Tulipa yhden Mikunin kokeilun yhteydessä esille, kun ei millään pelittänyt.
Muuten olen samaa mieltä.
Avatar
pau
Viestit: 67
Liittynyt: 22:02 04.10.2010.
Paikkakunta: Salo
Viesti:

Re: Seosmittarin teko-ohjeet

Viesti Kirjoittaja pau »

noilla kapeakaistalambdoilla ei tee oikeasti yhtään mitään, sen näyttämä on yhdistelmä lämpöä, kosteutta, painetta ja vähäsen lambdaa. Ainoa tarkka siinä on jyrkkä muutos 14,7 AFR:n kohdalla, kaikki muu on täysin arvausta.

Laajakaista on ainoa vaihtoehto, ja siinäkin pitää saada loggaus lambda vs RPM minimissään jos aikoo säätää. Ajaessa kun kiihdytät ja tuijotat jotain viisareita tulee korjaukset mututuntumalla ja väärään paikkaan, kokemuksella...

Ja jos on kaasaripeli, niin laajakaistan logista ei tule kun paha mieli... unoha

p.
1996 FXSTS, Springer with Apes, Style before function
1986 FXRD, FXR -or- DIE!
p.erkkila
Viestit: 45
Liittynyt: 16:40 02.01.2009.
Paikkakunta: E-pohjanmaa
Viesti:

Re: Seosmittarin teko-ohjeet

Viesti Kirjoittaja p.erkkila »

Miknkätakia tollanen pitää tehä ite...? Laajakaistamalli ei oo kyllä hirveen kallis ostaa.. :lol:
Avatar
jman
Viestit: 512
Liittynyt: 00:46 18.06.2012.
Paikkakunta: Hanoi
Viesti:

Re: Seosmittarin teko-ohjeet

Viesti Kirjoittaja jman »

p.erkkila kirjoitti:Miknkätakia tollanen pitää tehä ite...? Laajakaistamalli ei oo kyllä hirveen kallis ostaa.. :lol:
No mistäpä se kannattaa anturi ja mittari (ja millaiset) hankkia jos mittailua ei meinaa työkseen ruveta tekemään?
Avatar
JKKo
Viestit: 1875
Liittynyt: 09:42 07.05.2002.
Paikkakunta: Helsinki

Re: Seosmittarin teko-ohjeet

Viesti Kirjoittaja JKKo »

Mun seosmittaushommissa on riittänyt kapeakaista-anturi Motonetista, 30€. Näyttölaitteena toimii digitaalinen yleismittari 1000mV alueelle asetettuna. Tätä laitteistoa olen tarvinnut korvakuulon lisukkeena etanoli-Darttia säädellessäni. Toimii yllättävän hyvin ja sieltä anturista tulee signaalia oikein luettavasti. 60mV tasakaasulla nykii havaittavasti, 80mV vetää jo oikein mukavasti. 800mV on hyvä arvo tyhjäkäynnillä. Jne, konekohtaisesti tietty noikin ovat erilaiset.
'91 883/1200/turbo 2001=>
'09 Street Bob 2009=>
Vastaa Viestiin